您好,欢迎访问靖江君扬节能科技有限公司

全国咨询热线

18994628600

搪玻璃储罐

君扬节能提供各种规格参数的搪玻璃立式,卧式储罐
联系电话:18994628600

产品详情

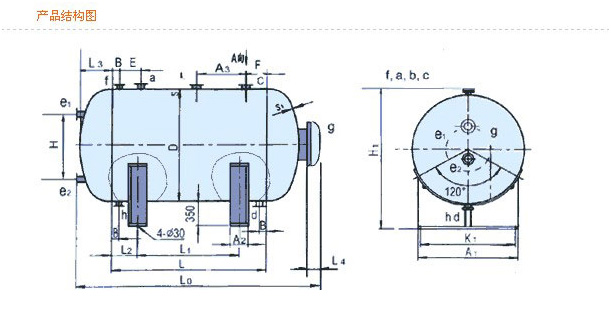
搪玻璃储罐(图1)

技术特性表

允许工作压力PN

PN≤0.25

允许工作温度℃

0-200℃


搪玻璃闭式贮罐

公称容积
(L)

尺 寸

lo

l1

l2

l3

l4

H1

H

A1

K1

A2

B

3000

2710

900

310

403

250

1760

1000

1350

1120

200

100

4000

3310

1500

310

403

250

1760

1000

1350

1120

200

100

5000

3265

1240

480

440

250

2080

1200

1430

1180

350

150

6300

4060

1740

580

440

250

1980

1200

1430

1180

350

150

10000

4080

1820

415

550

160

2340

1300

1780

1490

250

150

12000

4900

1920

415

550

160

2340

1300

1780

1490

350

150

15000

5340

2000

380

550

250

2740

1500

1890

1750

350

150

16000

5420

2100

380

580

160

2540

1300

1680

1540

350

150

20000

6260

2500

580

600

160

2940

1600

2080

1940

350

150


查看更多 >>

产品推荐